ул. Авиационная, д.24, литера А, помещ. №7, офис 7

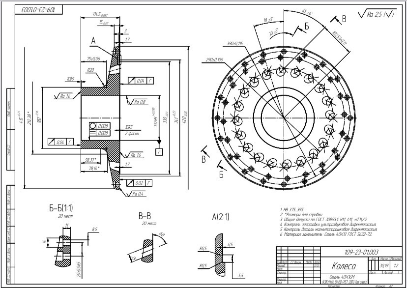
Детали из стали марки 40Х13 (ГОСТ 5632-72)

services

В мире, где массовое производство часто ставится во главу угла, мы не боимся браться за уникальные проекты, требующие особой точности и мастерства.

Недавно мы завершили работу над изготовлением единичной детали из стали марки 40Х13 (ГОСТ 5632-72).

Деталь была изготовлена точно в срок, без малейших задержек.

Сталь 40Х13, известная своей прочностью и коррозионной стойкостью, требует особого подхода к обработке. Наши специалисты справились с этой задачей на отлично, обеспечив высочайшую точность изготовления.

Мы готовы реализовать ваши самые смелые проекты: от единичных изделий высокой сложности до механической обработки серийных деталей.

Свяжитесь с нами, чтобы обсудить ваши задачи!

Как заказать

Оставить заявку
Оставить заявку
Заполните на нашем сайте
Консультация и уточнение
Консультация и уточнение
Наши специалисты свяжутся для уточнения деталей заказа и ответят на вопросы
Разработка и согласование
Разработка и согласование
Подготовка ТКП и согласование с вами
Подписание договора и спецификации
Подписание договора и спецификации
Утверждаем согласованное ранее на юридическом уровне
Изготовление и контроль
Изготовление и контроль
Начало работ с пошаговым контролем качества
Доставка готовой продукции
Доставка готовой продукции
Получите точно выполненные детали в минимальный срок

Контакты

Адрес:
196135, г. Санкт-Петербург, ул. Авиационная, д.24, литера А, помещ. №7, офис 7
Адрес производства:
Индустриальная улица, 12, технопарк Федоровское, Тельмановское городское поселение, Тосненский район, Ленинградская область
Понедельник - Пятница: 9:00 - 18:00