ул. Авиационная, д.24, литера А, помещ. №7, офис 7

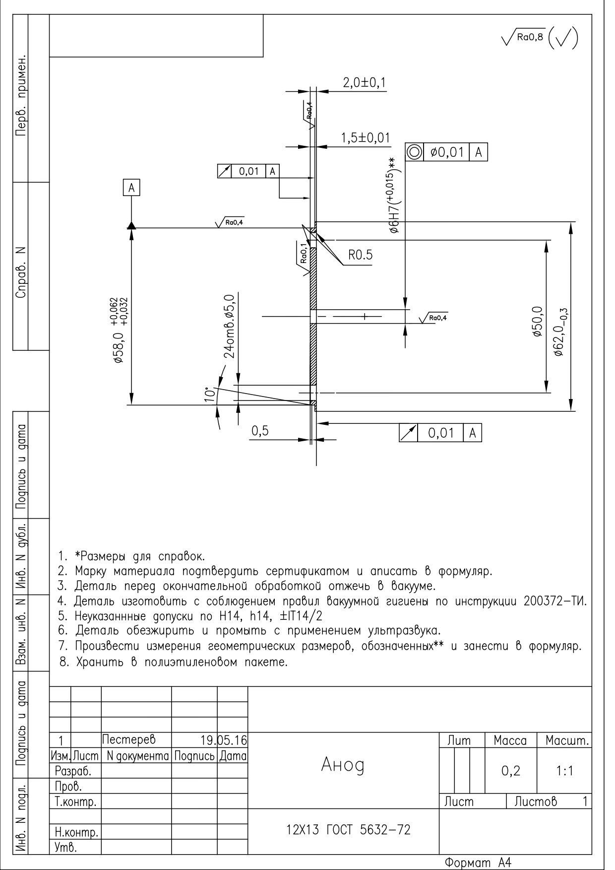
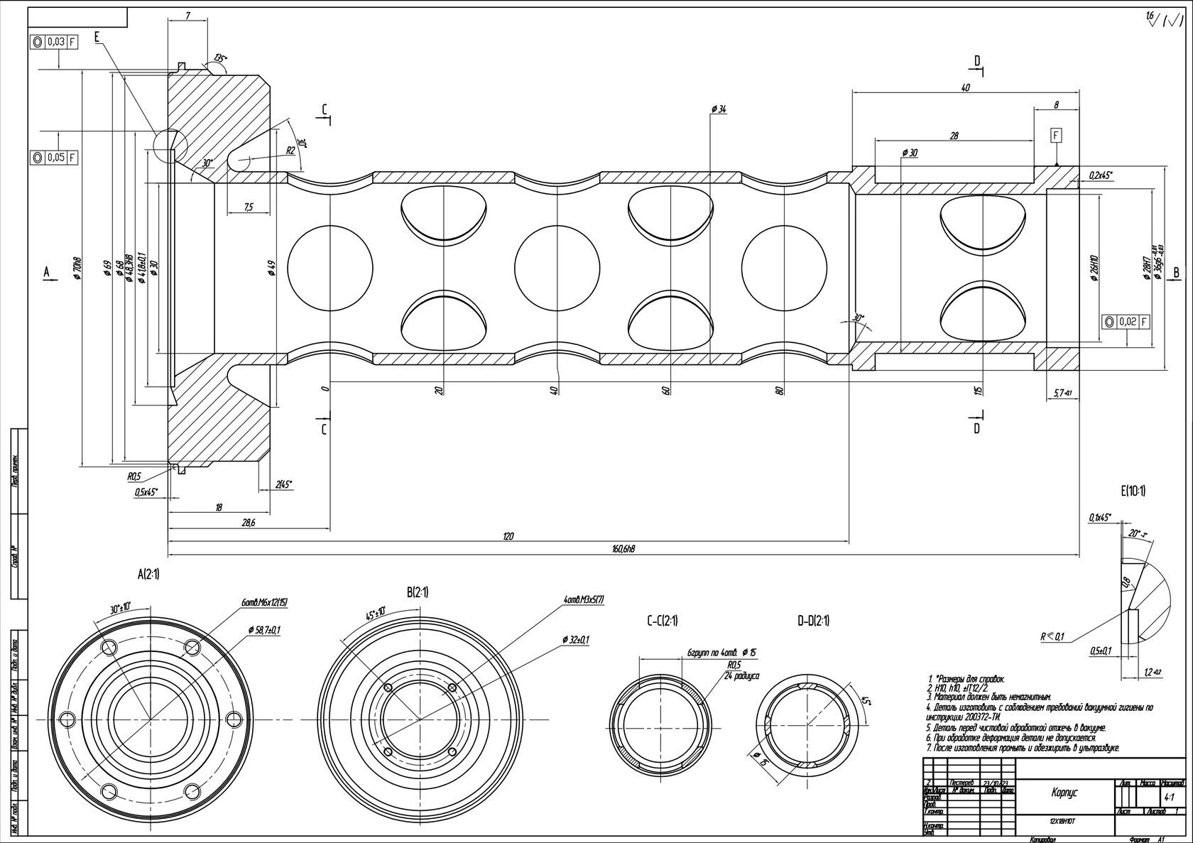
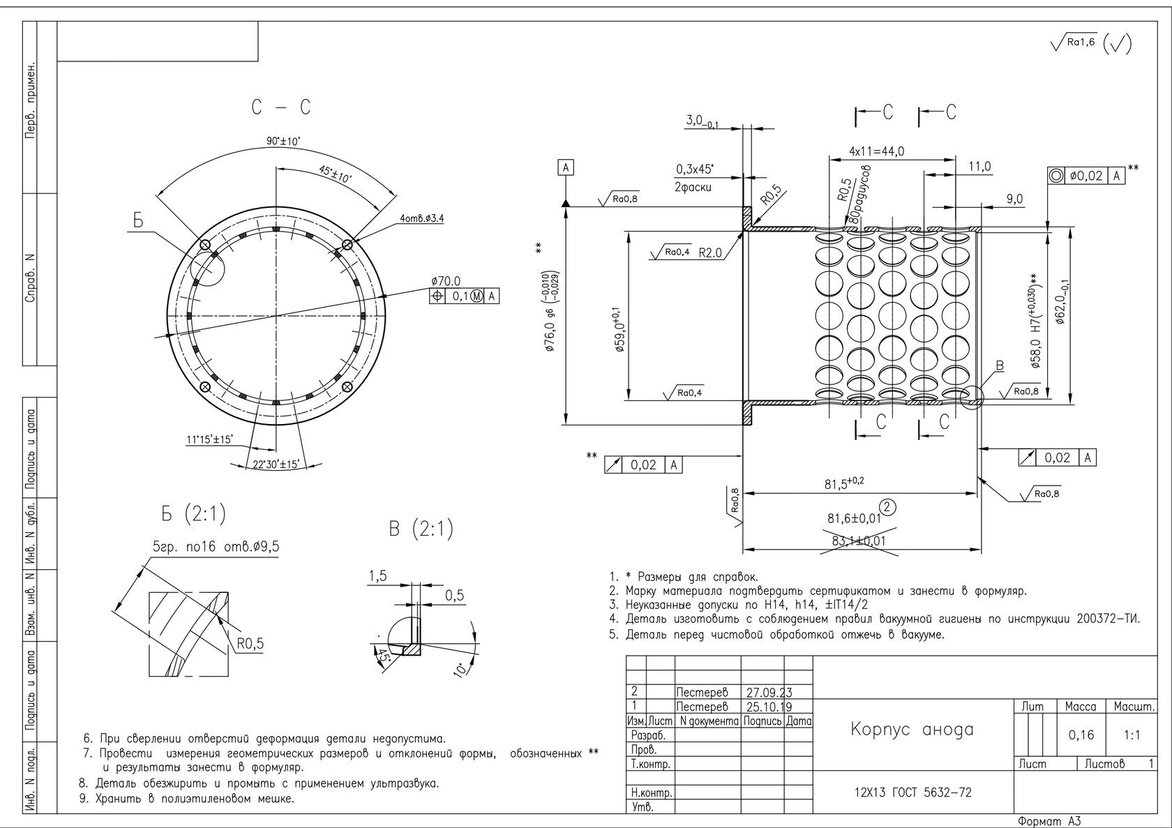
Корпус анода из нержавейки

services

Мало кто берется за такие детали. Это было не просто, но мы сделали. Предоставляем отчет.

В этом проекте много писать не надо т.к. все видно на фото и на чертежах! Уровень деталей - сложный. Партия - мелкая (по 6 деталей). Материал - нержавейка. В процессе изготовления проводилась промежуточная термическая обработка заготовок. А теперь к фотографиям:

Как заказать

Оставить заявку
Оставить заявку
Заполните на нашем сайте
Консультация и уточнение
Консультация и уточнение
Наши специалисты свяжутся для уточнения деталей заказа и ответят на вопросы
Разработка и согласование
Разработка и согласование
Подготовка ТКП и согласование с вами
Подписание договора и спецификации
Подписание договора и спецификации
Утверждаем согласованное ранее на юридическом уровне
Изготовление и контроль
Изготовление и контроль
Начало работ с пошаговым контролем качества
Доставка готовой продукции
Доставка готовой продукции
Получите точно выполненные детали в минимальный срок

Контакты

Адрес:
196135, г. Санкт-Петербург, ул. Авиационная, д.24, литера А, помещ. №7, офис 7
Адрес производства:
Индустриальная улица, 12, технопарк Федоровское, Тельмановское городское поселение, Тосненский район, Ленинградская область
Понедельник - Пятница: 9:00 - 18:00