ул. Авиационная, д.24, литера А, помещ. №7, офис 7

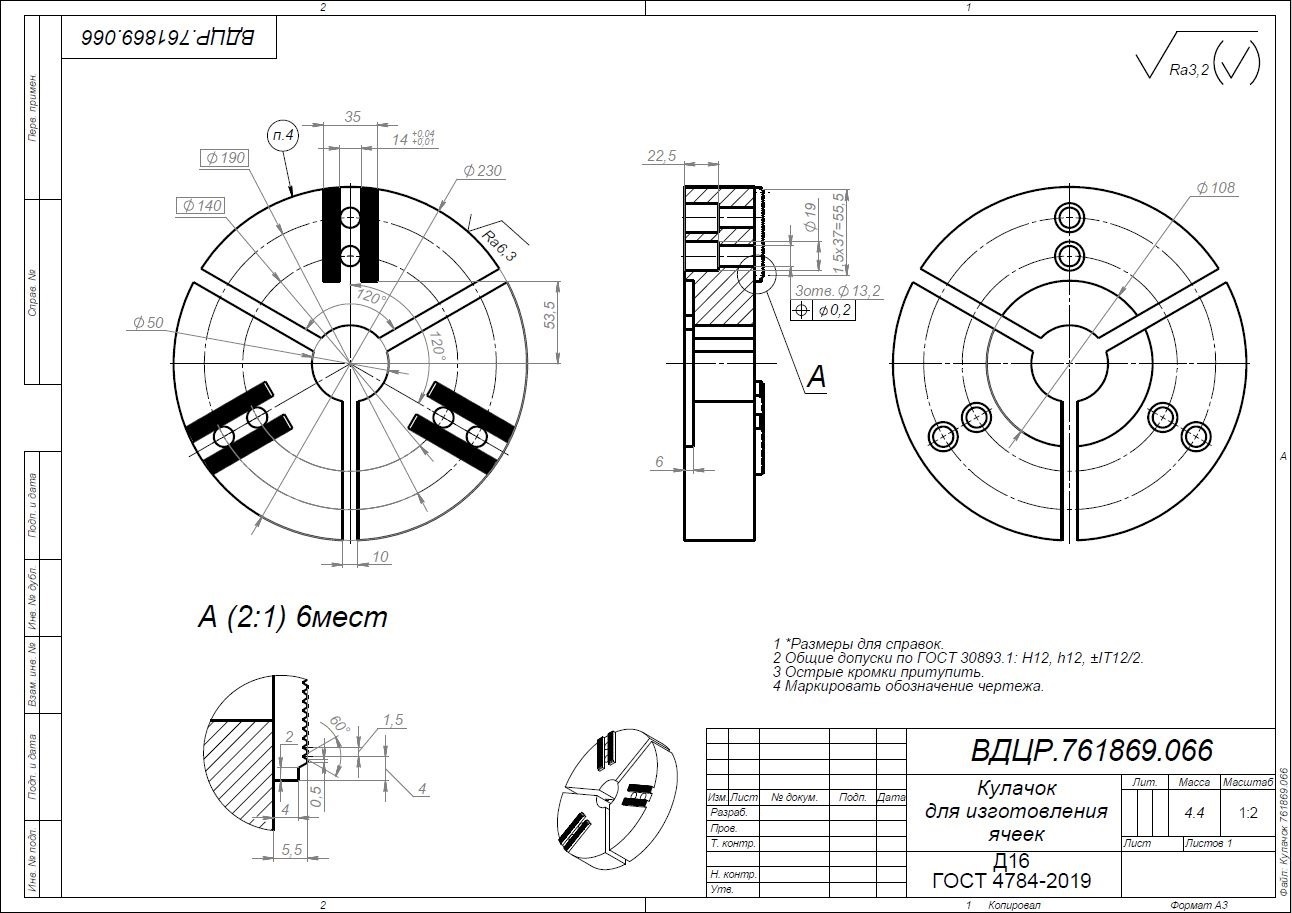
Кулачок токарного станка и кулачок для изготовления ячеек

services

Мы умеем делать различные приспособления для станочного оборудования.

Выполнена работа по изготовлению зажимных кулачков по чертежам Заказчика.

Кулачки используются для зажима деталей в патроне станка. Сырые, т.е. не каленные кулачки, используют для повышения точности обработки в самоцентрирующих патронах. Данные кулачки растачиваются под диаметр закрепляемой детали.

Мы изготовили комплект кулачков из дюрали Д16. Данные кулачки будут применяться Заказчиком в процессе изготовления точных деталей из меди.

Изготовление комплекта кулачков из дюрали начинается с точной механической обработки заготовки, чаще всего фрезерованием, для придания ей основной формы и размеров. Затем выполняется тщательная обработка всех рабочих поверхностей, включая фрезерование пазов, сверление точных отверстий и формирование посадочных мест, с соблюдением строгих геометрических допусков. Завершающие этапы включают снятие заусенцев, контроль чистоты поверхности и точных размеров, а также, при необходимости, нанесение защитного покрытия для повышения износостойкости.

Мы можем изготовить любы виды приспособлений для станков. Обращайтесь в нашу компанию для изготовления станочной оснастки!

Как заказать

Оставить заявку
Оставить заявку
Заполните на нашем сайте
Консультация и уточнение
Консультация и уточнение
Наши специалисты свяжутся для уточнения деталей заказа и ответят на вопросы
Разработка и согласование
Разработка и согласование
Подготовка ТКП и согласование с вами
Подписание договора и спецификации
Подписание договора и спецификации
Утверждаем согласованное ранее на юридическом уровне
Изготовление и контроль
Изготовление и контроль
Начало работ с пошаговым контролем качества
Доставка готовой продукции
Доставка готовой продукции
Получите точно выполненные детали в минимальный срок

Контакты

Адрес:
196135, г. Санкт-Петербург, ул. Авиационная, д.24, литера А, помещ. №7, офис 7
Адрес производства:
Индустриальная улица, 12, технопарк Федоровское, Тельмановское городское поселение, Тосненский район, Ленинградская область
Понедельник - Пятница: 9:00 - 18:00