ул. Авиационная, д.24, литера А, помещ. №7, офис 7

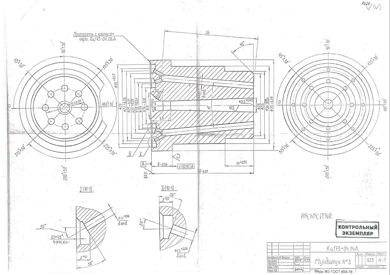
Мундштук из меди №3

services

Никто не хотел браться, но Заказчику повезло встретить нас...

Заказчик обратился к нам с просьбой изготовить изделия из меди. Никто на рынке не хотел браться за данные изделия. Причин этому было несколько - старые чертежи, мелкая партия (всего 5 шт.), высокие точности, геометрия центрального отверстия и очень мелкие диаметры отверстий в сочетании с материалом, а главное - как и чем контролировать полученную геометрию.

Изготовление медного мундштука — высокоточный процесс, включающий прецизионную токарную обработку внешней формы и сложную внутреннюю (канал, горловина, чашка). В итоге мы с задачей справились!

Для начала сделали 1 шт. и отдали деталь на тестирование на оборудовании заказчика - только так можно было проверить нашу работу. Тест наша деталь успешно прошла. После этого мы запустили оставшиеся 4 шт. и в процессе работы Заказчик увеличил общее количество деталей до 10 штук.

Как заказать

Оставить заявку
Оставить заявку
Заполните на нашем сайте
Консультация и уточнение
Консультация и уточнение
Наши специалисты свяжутся для уточнения деталей заказа и ответят на вопросы
Разработка и согласование
Разработка и согласование
Подготовка ТКП и согласование с вами
Подписание договора и спецификации
Подписание договора и спецификации
Утверждаем согласованное ранее на юридическом уровне
Изготовление и контроль
Изготовление и контроль
Начало работ с пошаговым контролем качества
Доставка готовой продукции
Доставка готовой продукции
Получите точно выполненные детали в минимальный срок

Контакты

Адрес:
196135, г. Санкт-Петербург, ул. Авиационная, д.24, литера А, помещ. №7, офис 7
Адрес производства:
Индустриальная улица, 12, технопарк Федоровское, Тельмановское городское поселение, Тосненский район, Ленинградская область
Понедельник - Пятница: 9:00 - 18:00